Standard Diode in Peak Detection: Working & Advantages
Advertisement
Introduction : Peak detection circuits are used to capture and hold the maximum value of a signal. Standard diodes play a key role in such circuits, allowing one way conduction so that a capacitor can store peak voltage. This page explains how peak detection works using standard diodes and examines the advantages they offer for signal processing, measurement and monitoring. We will also touch upon working of precision peak detector circuit.
Diode peak detection circuit working
The figure-1 depicts simple circuit of peak detector using diode and capacitor. Following steps describe its working.
- Diode conducts when input exceeds stored voltage.
- Capacitor charges to peak value of waveform.
- Diode blocks discharge when input decreases.
- Stored voltage represents peak level.

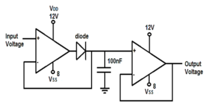
Precision Peak Detector
The figure-2 depicts precision peak detector circuit using op-amplifier, diode and capacitor.

Following steps describe it’s working.
- Op-Amplifier at input acts as buffer and prevent loading the source. It feeds the signal to the diode.
- The diode used allows current to pass only when input voltage is greater than the voltage across the capacitor. This ensures only rising voltages can charge the capacitor.
- Capacitor used here charges up to peak voltage and holds it at that level. It would not discharge back through the diode due to its one way property.
- Second Op-Amp buffers the voltage across capacitor and drives output without affecting stored voltage.
- The output voltage holds the highest peak value of the input signal until reset or discharged.
Advantages of diode peak detector circuits
Following are some of the benefits of diode based peak detectors.
- Basic peak detector only requires a diode and a capacitor to build. Hence it is simple to understand and maintain.
- Overall circuit cost is lower due to cheaper diodes and other additional components such as capacitors and resistors.
- For many applications, diode capacitor based detector responds fast enough.
- Passive elements used in the design are robust and less prone to failure.
- After peak occurs, circuit remembers the peak until reset which enables measurement.
Conclusion: Diode based peak detectors are simple, effective and broadly used in analog electronics. They help in capturing signal peaks with minimal parts and good accuracy.
Advertisement
RF