Standard Diode in Zero Crossing: Working & Advantages
Advertisement
Introduction : Zero crossing detection is key in controlling AC circuits, phase measurement, and timing. A standard diode can aid in detecting the point where an AC waveform crosses zero voltage by letting only one half cycle through or by shaping the waveform. This page explains how standard diodes help in zero crossing detection and the benefits such as improved timing, reduced distortion and simpler circuitry.
Diode based zero crossing detector circuit working
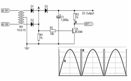
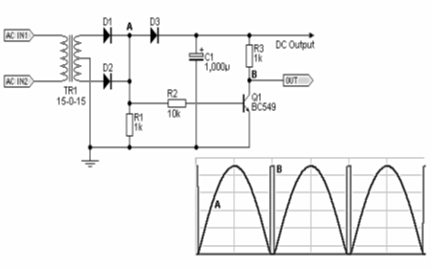
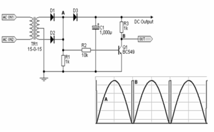
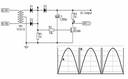
The zero crossing detector takes AC waveform as input and produce digital pulses as output. AC waveform passes through zero twice per cycle. Detection circuit shown in figure-1 generates precision timing pulses at these zero crossing instants.

The major components in the circuit shown in the figure-2 consists of Transformer (TR1), Diodes (D1, D3), transistor (Q1), resistors (R1 and R2) etc.
Case-1 (AC signal is positive) : D1 and D3 conducts and current flows through R1 and R2 which turns ON Q1 and pulls output low.
Case-2 (AC signal crosses zero & goes negative) : Diodes are reverse biased which turns Q1 OFF and output goes high.
=> As a result of above, sharp digital pulses are genearted.

There are various detection methods used, each having different accuracies and complexities. These include transformer coupling, optocoupler isolation, precision rectifier and resistor divider plus compator.
Applications
The key applications of above zero crossing detector circuit are as follows.
- Phase control for power regulation
- AC motor synchronization
- EMI reduction in switching circuits
- Power line communication timing
Advantages of Zero Crossing Circuit
Following are some of the benefits of diode based zero crossing detector circuit.
- It helps to detect when AC waveform crosses zero volts. With this knowledge, it triggers switching or control action at that moment. This helps diode to avoid large dv/dt or di/dt transitions which reduces stress on switching devices.
- Switching at zero crossing helps in minimizing abrupt changes in voltage or current. This leads to lower electromagnetic noise and interference.
- It offers improvement in power quality by reducing waveform distortion and lowering harmonics.
- By avoiding abrupt transitions, it helps to lengthen life of switching devices.
- It provides simplified control logic due to zero point as reliable synchronization reference.
- When device switches in ‘ON’ state near zero volts, the instantaneous current surge is less. This protects both the load and the supply.
Conclusion: Zero crossing circuits built with standard diodes offer reliable timing references and lower interference in switched circuits.
Advertisement
RF