Standard Diode OR-ing Configuration: Uses & Benefits
Advertisement
Introduction : OR-ing is a technique commonly used in power supplies or redundant systems where multiple sources supply a load, and the highest voltage takes priority. Standard diodes in OR-ing prevent reverse currents and ensure safety. This application note details the OR-ing configuration using diodes, how they work, and their benefits in redundancy, protection and failover.
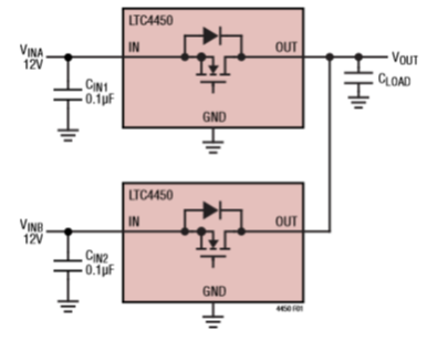
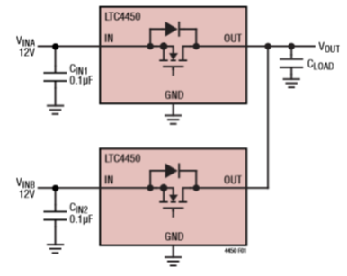
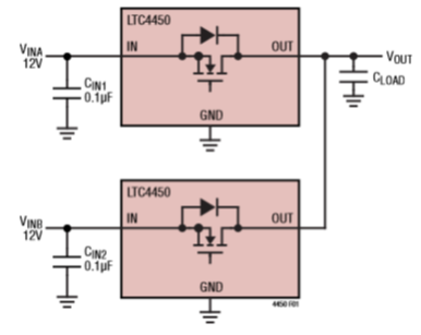
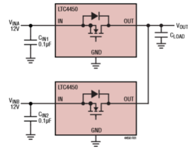
Diodes in OR-ing configuration
Multiple power supplies provide system reliability through automatic failover. The diodes allow current flow from higher voltage source while blocking reverse current to lower voltage sources.

Advantages of diode in OR-ing circuit
Following are some of the benefits of diode in OR-ing circuits.
-
It helps in automatic redundancy and backup power. Due to OR-ing of multiple power supplies connected to the load, if one fails, the other will takeover seamlessly. This helps in prevention of disruption.
-
Using diodes, current from one source can not flow back into another source.
-
OR-ing with diodes is a relatively simple method and less expensive.
-
Because each source is “diode isolated”, voltage differences don’t force direct current between sources, preventing damage or unwanted load on one due to the other and vice versa.
-
Diode OR-ing offer better reliability in moderate power systems such as batteries, adapters etc.
Conclusion: Standard diode OR-ing provides an elegant, passive solution for combining power sources without complex switching. It helps in ensuring continuity, safety and isolation between sources.
Advertisement
RF