2-to-4 Decoder Design in LabVIEW
Advertisement
A 2-to-4 decoder is used to select one output line out of four available lines based on the data present on two input lines. The logic behind this selection is summarized in the table below:
| Input1 | Input0 | Output |
|---|---|---|
| 0 | 0 | 0 |
| 0 | 1 | 1 |
| 1 | 0 | 2 |
| 1 | 1 | 3 |
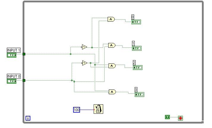
2 to 4 Decoder LabVIEW VI Block Diagram
The following figure (Fig-1) illustrates the block diagram of the 2-to-4 decoder LabVIEW VI.

2 to 4 Decoder LabVIEW VI Front Panel
The following figure (Fig-2) shows the front panel of the 2-to-4 decoder LabVIEW VI.

Download 2 to 4 Decoder Labview Source Code Files
Download 2 to 4 decoder labview VI source code files
Advertisement
RF