Convolution LabVIEW VI: Source Code and Implementation
Advertisement
This page provides the LabVIEW source code for a Convolution VI designed to process two input vectors.
A link to download the Convolution LabVIEW VI source code is provided below. For a foundational understanding of convolution, refer to the convolution MATLAB code page.
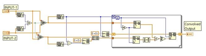
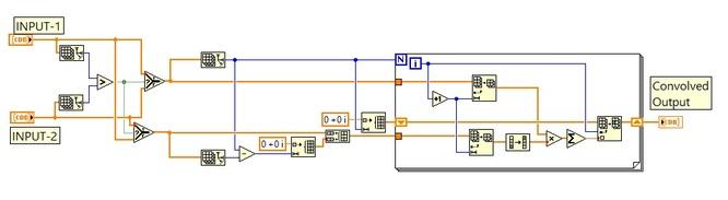
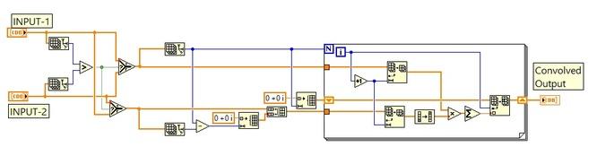
Convolution Labview VI Block Diagram
Figure 1 illustrates the block diagram of the Convolution LabVIEW VI.

Figure 1: Convolution LabVIEW VI Block Diagram
Convolution Labview VI Front Panel
Figure 2 displays the front panel of the Convolution LabVIEW VI.

Figure 2: Convolution LabVIEW VI Front Panel
Download file
Download Convolution labview vi file
Advertisement
RF