CCDF LabVIEW VI Source Code
Advertisement
This page provides information about the CCDF Labview VI source code. You can download the Labview VI source code from the links provided below.
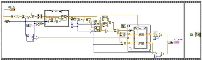
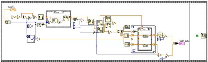
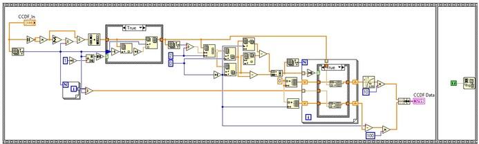
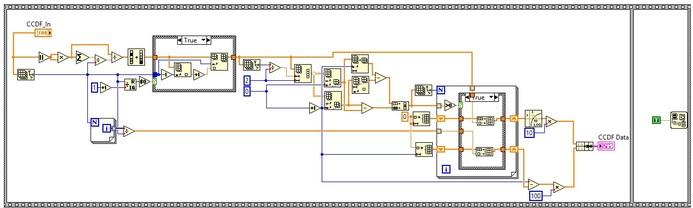
CCDF Labview VI Block Diagram
Fig-1 illustrates the block diagram of the CCDF Labview VI.

CCDF Labview VI Front Panel
Fig-2 shows the front panel of the CCDF Labview VI.

Download file
Download CCDF labview main VI file Download CCDF labview sub VI file
Advertisement
RF