LabVIEW Programming Basics Tutorial
Advertisement
LabVIEW, developed by National Instruments (NI), is a programming language widely used in the test and measurement industry for applications like automation, conformance testing, and pre-certification testing. Industries across wireless, telecom, mechanical, and electrical domains have adopted it. NI offers LabVIEW training at various levels, including certification courses.
This tutorial covers the basics of LabVIEW programming for beginners. Programs developed in LabVIEW are called VIs, which stands for Virtual Instrumentation.
Creating a VI
After installing and opening a blank VI, two windows appear:
-
Front Panel: This provides the user interface for the design. It’s where you place controls (inputs) and indicators (outputs). It also allows connecting VIs together in larger systems by linking outputs of one VI to inputs of another.
-
Block Diagram: This window contains the source code in the form of graphical icons and wires/signals. It also includes an icon and connector pane, which allows the VI to be used as a sub-VI in a larger system, similar to a subroutine or function in text-based languages like Pascal or C. For example, a scrambler might be used as a sub-VI in a WiMAX physical layer transmitter.
The icon of each VI is visible in the top right corner of both the block diagram and front panel windows. You can edit the icon only in the front panel window. Each icon can contain text, an image, or both to represent the function. Use “Edit Icon” to add text, graphics, and colors. Use “Show Connector” to add and remove terminals to the icon (i.e., the VI). These terminals act as input and output terminals, allowing you to pass arguments to and from the VI.
Data Types Supported in LabVIEW
LabVIEW uses colors, styles, and thicknesses to visually represent data types. This makes it easy for programmers to identify them and connect appropriate wires between VIs.

Figure 1: Data types supported in LabVIEW
Programming Syntax
Like other programming languages, LabVIEW offers functions for For loops, While loops, case structures, shift registers, arrays, file I/O, graphs, and more. It also provides various string-related functions and domain-specific functionalities like signal processing.
You can drag and drop icons into the block diagram panel, then right-click and select “Help” to learn more about each function, speeding up development.
Example Implementation Using LabVIEW
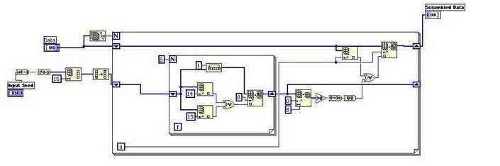
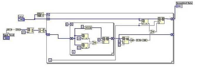
Let’s look at an example implementation of a scrambler module, which takes a seed and data as input and produces scrambled data as output.

The LabVIEW implementation of the scrambler circuit is shown below:

Figure 2: Scrambler example implementation using LabVIEW
Input data: 4529C479AD0F5528AD87B5761A9C8050451B9FD92A8895EBAEB52E034F091469580A5D
Input Seed: 3825
Output data: D4BAA112F274963027D4889C96E3A952B315ABFD92530732C06248F01922E091621AC1
Interfacing with RFSG and RFSA Using Drivers
LabVIEW provides driver VIs to interface offline VIs with RF Vector Signal Generators (RFSG) and RF Vector Signal Analyzers (RFSA). This allows you to convert designs into real-time or online applications.
Advertisement
RF