Memristor Advantages and Disadvantages
Advertisement
This page explores the advantages and disadvantages of memristor elements, outlining the benefits and drawbacks of memristor devices.
Introduction
The term “memristor” is a blend of the words “memory” and “resistor,” describing a nonlinear resistor with memory capabilities. This device is finding its place in applications like analog electronics and neural networks, specifically in neuromorphic systems, logic circuits, digital memory, and biological circuits.
What is a Memristor?
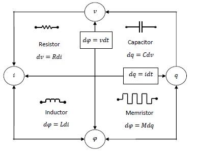
A memristor is considered the fourth fundamental circuit element, alongside resistors, inductors, and capacitors. In its simplest form, it consists of a thin film sandwiched between two metal electrodes. This thin film is often made of materials like titanium dioxide, although other materials exhibiting memresistive characteristics, such as metal oxides, carbon, and amorphous silicon, can also be used.
Like a resistor, a memristor limits or controls the flow of electric current. However, it uniquely remembers the magnitude of charge that has previously flowed through it. It’s a non-volatile component, meaning it retains its value even without power.


The memristor maintains a relationship between the time integrals of current and voltage across its two terminals, as shown in Equation 1. It also relates charge and flux, as per Equation 2. Memresistance is expressed in units of Webers per Coulomb (Wb/C) or Ohms.
- Equation 1: Memresistance = dV/dI
- Equation 2: M = dΦ/dq
The memresistance of a memristor increases when current or charge flows in one direction and decreases when it flows in the opposite direction.
Benefits or Advantages of Memristors
Here are the key benefits of using memristors:
- Unique Properties: Memristors possess unique characteristics that cannot be replicated by basic circuit elements like resistors (R), inductors (L), and capacitors (C).
- DRAM and Hard Drive Replacement: In specific applications, memristors can replace DRAM and hard drives, offering the functionalities of both devices in a single, compact unit.
- Smaller Size and Less Heat: Compared to transistors, memristors are smaller and generate less heat.
- Performance at Smaller Dimensions: Memristors deliver better performance as their dimensions decrease.
- Low Voltage Operation: They can operate with relatively lower voltages, leading to reduced overall power requirements.
- Faster and Cheaper than MRAM: Memristors offer faster speeds and lower costs compared to Magnetoresistive Random-Access Memory (MRAM).
- Fast Booting: Information is retained even when the device is turned off, allowing for quicker boot times.
- Charge Memory: Memristors remember the amount of charge that has flowed through them at a given time.
- Analog and Digital Functionality: Memristors can function as both digital and analog devices by adjusting the speed/strength of the current.
Drawbacks or Disadvantages of Memristors
Despite their advantages, memristors also have limitations:
- Limited Commercial Availability: Memristors are not as widely commercially available as other components.
- Slower Speed Compared to DRAM: They currently offer speeds that are approximately one-tenth of DRAM speeds.
- Performance Development: It will take time for memristors to match the speed and performance of transistors and DRAM devices.
- Circuit Design Challenges: Designing circuits with this relatively new circuit element can be challenging for engineers.
- Not an Active Element: Memristors are not active circuit elements and cannot store or generate power.
Advertisement
RF