Memristor Basics: Understanding the Memory Resistor
Advertisement
This page covers memristor basics, including its definition, analogy, and properties.
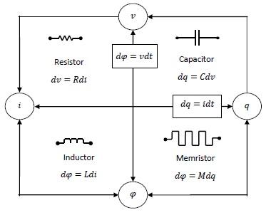
As we know, there are three fundamental two-terminal circuit elements: the resistor, capacitor, and inductor. These are defined in terms of the relationship between two circuit variables out of four: current (i), charge (q), voltage (v), and flux (φ).
- Current is defined as the time derivative of charge:
- Voltage is defined as the time derivative of flux:
Now let’s look at each of the basic elements:
- Resistor: Defined by the relationship between voltage and current:
- Capacitor: Defined by the relationship between charge and voltage:
- Inductor: Defined by the relationship between flux and current:

The element known as a memristor (short for memory resistor) provides a relationship between charge and flux: , where M is the memristance. Figure 1 (above) depicts the four basic circuit elements: resistor, capacitor, inductor, and memristor.

Memristor Definition
The term “memristor” refers to a passive device that provides a functional relationship between charge and flux. It’s defined as a circuit element where the flux (φ) between two terminals is a function of the amount of charge (q) passed through the device. It is not an energy storage element.
Figure 2 (above) depicts the symbol for a memristor.
The memristor is considered a charge-controlled device when the relationship between flux and charge is represented as a function of electric charge (q): .
Conversely, it’s known as a flux-controlled memristor when the relationship is expressed as a function of flux linkage: .
Memristor Properties

- Memristance: This is the key property of a memristor. The memristor’s resistance increases when charge flows in one direction and decreases when it flows in the opposite direction.
- Non-Volatility: When the applied voltage is switched off, the charge flow stops, and the memristor remembers its last resistance.
- State Retention: When the flow of charge is started again, the device will exhibit a resistance equal to the value it had when it was last active.
- Analogy: A resistor is analogous to a pipe through which water flows, while a memristor is like a special pipe whose diameter increases or decreases based on the direction of water flow through it.
- Dissipative Nature: As a memristor is purely dissipative, it acts like a resistor. The φ-q curve of a memristor is always a monotonically increasing function. This is illustrated in Figure 3 (above).
Advertisement
RF