Barrel Shifter VHDL Code and Test Bench
Advertisement
This document provides VHDL code for a Barrel Shifter, along with a corresponding test bench. It also presents the simulated and synthesized outputs obtained using ModelSIM and Leonardo Spectrum tools, respectively.
The Barrel Shifter’s primary functions are:
- Rotating or shifting input data.
- Rotating the data by a specified number of bits in a combinational manner.
Barrel Shifter VHDL Code
This VHDL model implements a Barrel Shifter that rotates the input data by a specified number of bits.
-- Develop a VHDL model for a Barrel shifter that rotates
-- the input data by the specified number of bits.
library ieee;
use ieee.std_logic_1164.all;
entity Barrel is
port (
clk,reset,load :in std_logic;
data_in:in std_logic_vector (7 downto 0);
data_out:out std_logic_vector (7 downto 0)
);
end Barrel;
architecture Barrel of Barrel is
begin
process (reset,clk,data_in)
variable d: std_logic_vector (7 downto 0);
begin
if (reset = '0') then
d:=(others => '0');
elsif (clk'event and clk = '1') then
if (load ='1') then
d:=data_in;
else
d:= d(0) & d(7 downto 1) ;
end if;
end if;
data_out<= d;
end process;
end Barrel;
Barrel Shifter Test Bench in VHDL
The following code provides a test bench for the Barrel Shifter.
--test bench for barrel shifter
library ieee;
use ieee.std_logic_1164.all;
entity tb_Barrel is
end tb_Barrel;
architecture tb_Barrel of tb_Barrel is
component Barrel
port (
clk,reset,load :in std_logic;
data_in:in std_logic_vector (7 downto 0);
data_out:out std_logic_vector (7 downto 0)
);
end component;
signal clk,res,load : std_logic;
signal d_in,d_out : std_logic_vector (7 downto 0);
begin
br: Barrel port map (clk,res,load,d_in,d_out);
process
begin
res <= '1';
load <= '1';
wait for 5 ns;
load <= '1';
clk<='0';
d_in<="11111101";
wait for 5 ns;
clk<='1';
d_in<="11111111";
wait for 5 ns;
res <= '1';
d_in <= "01100101";
load <= '1';
wait for 5 ns;
load <= '0';
wait;
end process;
end tb_Barrel;
Simulated Output
The simulated output of the Barrel Shifter, obtained using ModelSIM, is shown below:

Figure 1: Simulated output of Barrel Shifter using ModelSim.
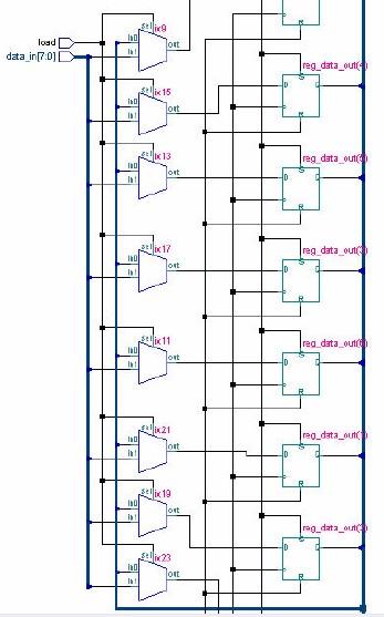
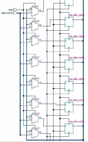
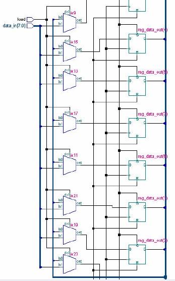
Synthesized Output
The synthesized output of the Barrel Shifter, obtained using Leonardo Spectrum Tool, is shown below:

Figure 2: Synthesized output of Barrel Shifter using Leonardo Spectrum Tool.
Advertisement
RF