SEPIC Converter Explained: Step-Up/Down Voltage Conversion
Advertisement
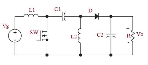
The Single-Ended Primary Inductance Converter (SEPIC) is a type of DC-DC converter used in power electronics to efficiently step up or step down voltage levels while providing electrical isolation between the input and output.
The SEPIC converter is particularly useful in applications where the input voltage can be higher or lower than the desired output voltage, allowing for flexible voltage regulation. The SEPIC converter topology consists of two inductors, two capacitors, a single switch (typically a MOSFET), and a diode. It operates by combining the principles of both buck and boost converters, allowing it to perform both step-up and step-down voltage conversion.
Let’s understand how a SEPIC converter works, including its key characteristics:
- During the switch-on state, energy from the input source is stored in the inductor connected to the input (L1) and the output capacitor (C2). The inductor connected to the output (L2) is charged through the diode.
- When the switch turns off, the energy stored in inductor L1 is transferred to the output capacitor C2 and the load, resulting in a step-up voltage at the output.
- Simultaneously, the energy stored in inductor L2 is transferred to the output capacitor C2 and the load, resulting in a step-down voltage at the output.
- The SEPIC converter operates in continuous mode, meaning the inductor currents never reach zero during the switching cycle.

The output voltage of the SEPIC converter can be regulated by adjusting the duty cycle of the switch. By controlling the switch’s on-time and off-time, the output voltage can be maintained at the desired level.
Unlike some other DC-DC converter topologies, such as the buck-boost converter, the SEPIC converter provides electrical isolation between the input and output. This isolation is beneficial in applications requiring isolation for safety or noise reduction purposes.
The efficiency of the SEPIC converter depends on factors such as component selection, switching frequency, and load conditions. With proper design and optimization, the SEPIC converter can achieve high efficiency levels, making it suitable for various power conversion applications.
Conclusion
In summary, the SEPIC converter is a versatile DC-DC converter topology known for its ability to provide both step-up and step-down voltage conversion with electrical isolation between the input and output. Its flexibility in voltage regulation and suitability for various applications make it a popular choice in power electronics design.
Advertisement
RF