Diversity Receive Modules (DRx): Skyworks and Beyond
Advertisement
This article explores the diversity receive module, focusing on the Skyworks SKY13740 and its key features. We’ll also touch upon other prominent DRx module manufacturers.
What is a Diversity Receive Module?
A Diversity Receive (DRx) module is a compact solution integrating a switch, RF filter, and LNA (Low Noise Amplifier) within a single module, all situated in the RF receiver path.
The figure below illustrates the transmitter, receiver, and diversity paths within a typical RF system.

Image Courtesy: Qualcomm Technologies, Inc.
By amplifying the received signal, the DRx module enhances receiver sensitivity and boosts data throughput while simultaneously reducing the receiver’s noise figure. This provides advantages for both telecom carriers and end-users. Carriers benefit from improved network efficiency, while consumers enjoy faster and more reliable data speeds.
DRx modules find use in various applications, including:
- Antenna cable loss compensation circuits for LTE data antennas
- 3G/4G/5G multimode cellular handsets and tablets
- Embedded data cards
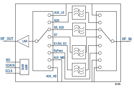
Skyworks Diversity Receive Module (SKY13740)

Image Courtesy: Skyworks Solutions, Inc.
The Skyworks SKY13740 is an Envelope Power Tracker offering the following features:
- Supports 6 selectable filters and LNA paths, 3 AUX paths, and an optional bypass mode.
- Integrates a SAW filter and a discrete LNA gain stage.
- Includes a MIPI interface for control.
- Supports bands B26, B8, B20, B1/4, B3, and B7.
- Available in a small surface-mount package.
- Doesn’t require external DC blocking capacitors, provided no DC voltage is applied.
For further information on other DRx modules from Skyworks, please visit www.skyworksinc.com.
Diversity Receive Module Manufacturers
The following table highlights some of the leading manufacturers of Diversity Receive Modules:
| Manufacturer | Model / Description |
|---|---|
| Skyworks Solutions, Inc. | SKY13740, SKY13741, SKY13744 |
| Qualcomm | Offers a range of RF Front End modules, including DRx modules, designed to benefit mobile phone manufacturers. |
| Qorvo | Provides a broad portfolio of switches, filters, and integrated modules for 5G/LTE applications. Their part number 885051 features a BAW DRx filter supporting band B25 LTE rejection. |
| MAXSUR | 5.8GHz Diversity Receiver (Note: This is a receiver, not a module). |
| Maxim Integrated | MAX2830, which houses an 802.11 b/g RF Transceiver, PA, Tx/Rx/Antenna Diversity Switch operating from 2.4 GHz to 2.5 GHz. |
Advertisement
RF