PIN Diode Variable RF Attenuator Circuit Design
Advertisement
PIN diodes are semiconductor devices with a structure that includes a P-type layer, an Intrinsic (undoped) layer, and an N-type layer. Attenuators are commonly employed in electronic communication systems to manage signal strength, prevent signal distortion, and optimize system performance.
Variable attenuators help in varying attenuation or gain. There are two types of variable attenuators viz. FET based and PIN diode based.
A PIN diode-based variable attenuator circuit is a device used to control the level of an electrical signal by varying its amplitude.
Single PIN Diode Circuit Working
Let us understand the working of a PIN diode:
- When a PIN diode is forward biased, it behaves like a low impedance conductor.
- When a PIN diode is reverse biased, the intrinsic layer becomes depleted of charge carriers, which increases the diode’s resistance. Hence, it acts as a variable attenuator, consecutively reducing the signal strength that passes through it.
- By adjusting the control voltage to the PIN diode, the user can control the degree of reverse bias and consecutively the amount of signal attenuation. The higher the reverse bias, the greater the attenuation.
The single PIN diode-based circuit is shown in Figure 1.
PIN diode changes its characteristics as per applied voltage. In attenuator, it functions as variable resistor. PIN diode requires biasing circuit to control its resistance. By applying specific DC voltage across the diode, the level of attenuation can be adjusted.

The control voltage source is responsible for providing the bias voltage to the PIN diode. This voltage determines the PIN diode’s resistance and consecutively the amount of signal attenuation. To ensure impedance matching, appropriate matching networks are also integrated into these circuits.
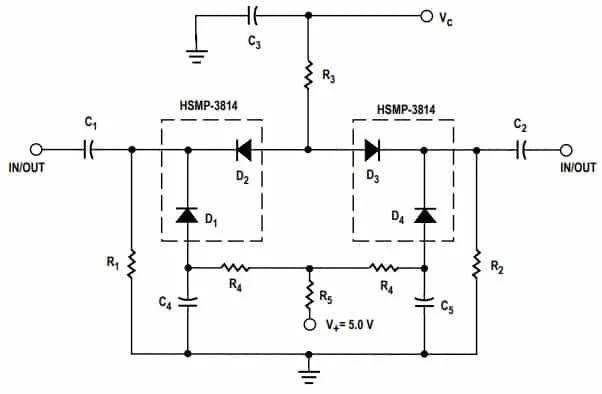
Four PIN Diode Circuit Working

As shown in Figure 2, the 4-PIN diode-based variable RF (Radio Frequency) attenuator circuit is designed to control the amplitude of an RF signal by varying its level of attenuation. This circuit is used for wide-band applications.
Applications of Variable RF Attenuator
The applications are as follows:
- Signal Level Control: The variable attenuator allows for precise control of RF signal levels, which is crucial in communication systems to prevent distortion and ensure proper operation of downstream components.
- Dynamic Range Optimization: In RF systems, the ability to dynamically adjust signal levels helps optimize the dynamic range, improving the overall performance of the system.
- Impedance Matching: The matching network, combined with the variable attenuation provided by the PIN diodes, helps maintain proper impedance matching for different operating conditions.
- Signal Integrity: The attenuator contributes to maintaining signal integrity by preventing the overdriving of downstream components and reducing the impact of signal reflections.

Case Study of PIN Diode Attenuator
One such application is in RF up-converter design, as shown in Figure 3. Here it is used as “GCN,” i.e., Gain Control Network. The RF Transceiver unit is used in VSAT as an interface between the RF front end (LAN, PA) and the modem (Modulator, Demodulator). This RF Transceiver consists of two parts viz. RF Up converter and Down converter. Both of these converter units house a PIN diode-based attenuator to vary the gain in the transmit and receive chains. This is very useful for RF link budget management.
In summary, a PIN diode-based variable attenuator utilizes the changing resistance of a PIN diode under varying bias conditions to control the attenuation of an electrical signal. This design provides a flexible and dynamic means of managing signal levels in communication systems.
Advertisement
RF