Optocoupler Advantages and Disadvantages
Advertisement
This page explores the advantages and disadvantages of optocouplers, outlining their benefits and drawbacks.
What is an Optocoupler?
Introduction: An optocoupler consists of an infrared LED and a phototransistor paired together. When a signal is applied to the infrared LED, it activates, emitting light that falls upon the phototransistor. Consequently, the phototransistor begins conducting. Importantly, there’s no electrical connection between the LED and the phototransistor within the optocoupler.

The figure above illustrates the basic components of an optocoupler.
Optocoupler Triggering Circuit
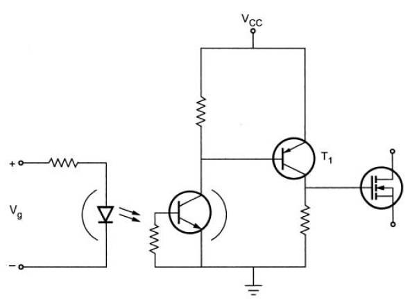
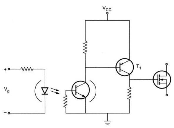
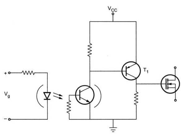
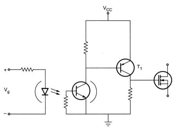
The following figure depicts a triggering circuit employing an optocoupler. In this setup, triggering pulses are fed into the LED of the optocoupler. Optocouplers find use in diverse applications, including inverters, SMPS (Switched-Mode Power Supplies), choppers, and AC motor drives.

This diagram shows an example optocoupler triggering circuit.
Benefits or Advantages of Optocouplers
Here are some of the benefits or advantages of using optocouplers:
- They provide excellent response at lower frequencies.
- Compact and cost-effective optocoupler devices are readily available.
Drawbacks or Disadvantages of Optocouplers
The following are the drawbacks or disadvantages associated with optocouplers:
- Optocouplers require an external biasing voltage for their operation.
- They exhibit poor frequency response at higher frequencies.
Advertisement
RF