Remotely Controlled IP Power Switches
Advertisement
A remote IP power switch allows you to remotely control the power supply to devices and equipment. It’s particularly useful when physically accessing a device to power it on or off is difficult or impossible.

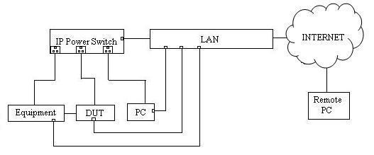
The figure above illustrates a typical setup where equipment, a Device Under Test (DUT), and a PC are controlled remotely over the internet using an IP power switch. Here’s how it generally works:
- Remote Access: A remote PC connects to a local PC using remote control software like VNC, Tera Term, or TeamViewer.
- GUI Control: The local PC runs a GUI (Graphical User Interface) software application. This software provides the controls to manage the power state of devices connected to the IP power switch.
- Remote Power Management: Through the GUI, the remote user can switch on, switch off, or even cycle the power to equipment, DUTs, or any other devices plugged into the IP power switch. The entire process is managed remotely via IP connectivity.
Various configurations are available, providing different numbers of power ports (e.g., 1, 4, 8, or 16 ports) to suit different user needs. Many IP power switches also offer timer control, allowing for scheduled power cycles.
Remote IP Power Switch Manufacturers
Here are some popular manufacturers and suppliers of IP remote power switches and power strips:
- Ambery - www.ambery.com
- OPENXTRA Limited - www.openxtra.co.uk
- ZANTECH - www.zantech.com.au
- Digidave Jersey Ltd. - www.digidave.co.uk
- AVIOSYS International Inc. - www.aviosys.com
- WTI,USA - www.wti.com
- DigiPower Manufacturing Inc. Taiwan - www.digipower.com.tw
- PI Manufacturing Corp. - www.pimfg.com
Advertisement
RF