FCS LabVIEW VI Source Code for Error Detection
Advertisement
This page provides information about a LabVIEW VI (Virtual Instrument) for Frame Check Sequence (FCS) calculation. FCS is used for error detection in data packets or frames at the receiver.
You can also download the FCS LabVIEW VI source code from this page. The polynomial used in this FCS VI is D8 + D2 + D + 1.
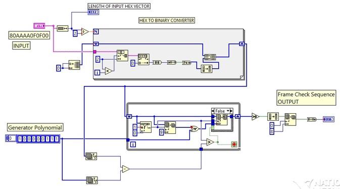
FCS Labview VI Block Diagram
Figure 1 shows the block diagram of the FCS LabVIEW VI.

Frame Check Sequence Labview VI Front Panel
Figure 2 shows the front panel of the Frame Check Sequence LabVIEW VI.

Download Frame Check Sequence (FCS) Labview code
Download FCS labview vi source code file
Advertisement
RF