Ammeter vs Voltmeter vs Multimeter: Key Differences Explained
Advertisement
This article explains the differences between an ammeter, a voltmeter, and a multimeter, along with a link to understanding the difference between analog and digital multimeters.
Ammeter
An ammeter is used to measure the current flowing through a circuit. To use an ammeter, you must break the circuit at some point and connect the ammeter in series, ensuring that the current you want to measure flows through the ammeter.

Ammeter
In a DC circuit, the positive (+) terminal of the ammeter should be connected to the positive (+) terminal of the battery. If you don’t do this, the ammeter’s pointer will deflect in the wrong direction, potentially damaging the instrument. Conventional current should enter the ammeter through the (+) terminal and exit through the (-) terminal.
Ideally, an ammeter should have very low resistance compared to the resistance of the rest of the circuit. This ensures that the ammeter doesn’t significantly reduce the current being measured when connected.
Voltmeter
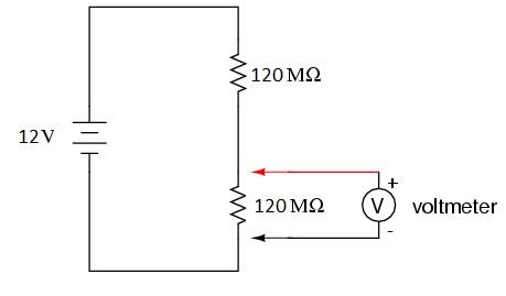
A voltmeter is used to measure the voltage across a component in a circuit. Unlike an ammeter, a voltmeter needs to be connected in parallel, meaning it’s connected side-by-side with the component you’re measuring.

Voltmeter
Similar to an ammeter, the (+) terminal of the voltmeter should be connected to the (+) terminal of the battery or the higher potential side of the component. This ensures that the current flow will deflect the pointer (or display the correct reading) in the right direction.
A voltmeter should have very high resistance compared to the resistance of the component across which it is connected. If the voltmeter’s resistance is too low, it will draw a significant amount of current from the main circuit, changing the voltage across the component and leading to inaccurate measurements.
Multimeter
Nowadays, a multimeter is a very common and essential tool for testing and measurement.
A multimeter combines the functionalities of an ammeter, voltmeter, and ohmmeter (for measuring resistance) into one device. It can measure a wide range of currents and voltages, for both direct current (DC) and alternating current (AC). Many multimeters also have a continuity testing feature, allowing you to check for broken circuits or short circuits.
Advertisement
RF